Se rendre au contenu

BENEO

Intégration d'une nouvelle turbine vapeur 

De la maquette 3D aux plans d'exécution

Projet BENEO 

Intégration d'une nouvelle turbine vapeur


De la maquette 3D aux plans d'exécution

Lorsqu'un site industriel en activité doit intégrer un nouvel équipement majeur, chaque décision de conception doit être prise avec précision.

C'est dans ce contexte exigeant que SCIED a eu l'opportunité de travailler pour BENEO, acteur majeur de l'industrie agroalimentaire, situé à Oreye en Belgique, spécialisé dans la production de fibres fonctionnelles prébiotiques à partir de racines de chicorée.


Concevoir dans l'existant

Travailler dans un bâtiment industriel existant, c'est composer avec des contraintes importantes : des tuyauteries déjà là, des structures à respecter, des espaces de maintenance à préserver. La maquette numérique 3D représente un avantage important dans les différentes étapes du projet.

Le modèle a été développé en superposant la nouvelle installation sur le nuage de points du site réel, capturé par scan 3D. Cette technique permet de voir comment les nouvelles tuyauteries s'intègrent dans l'environnement existant et d'anticiper les conflits qui auraient coûté cher à corriger sur chantier.


Générer les livrables depuis le modèle

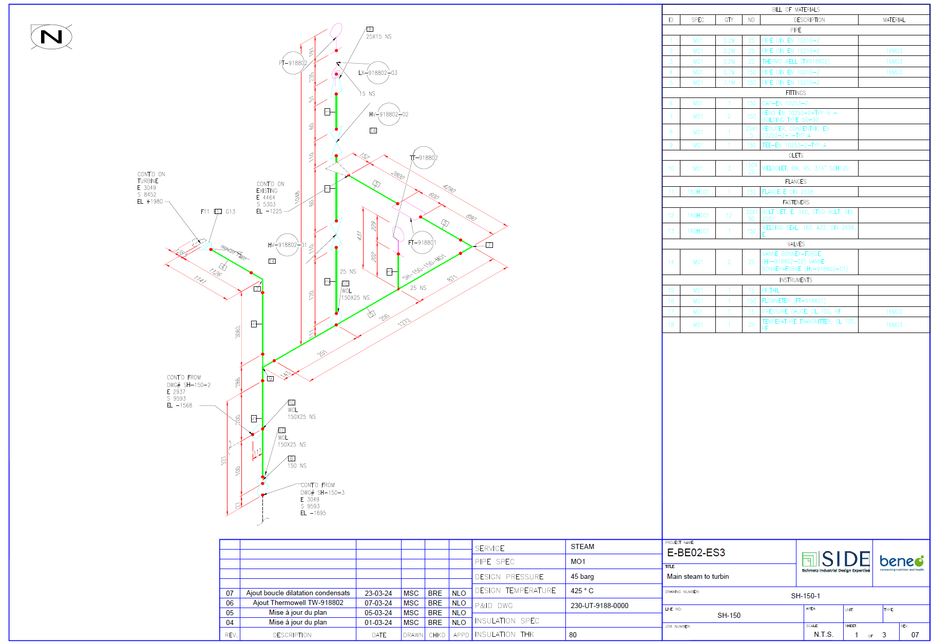
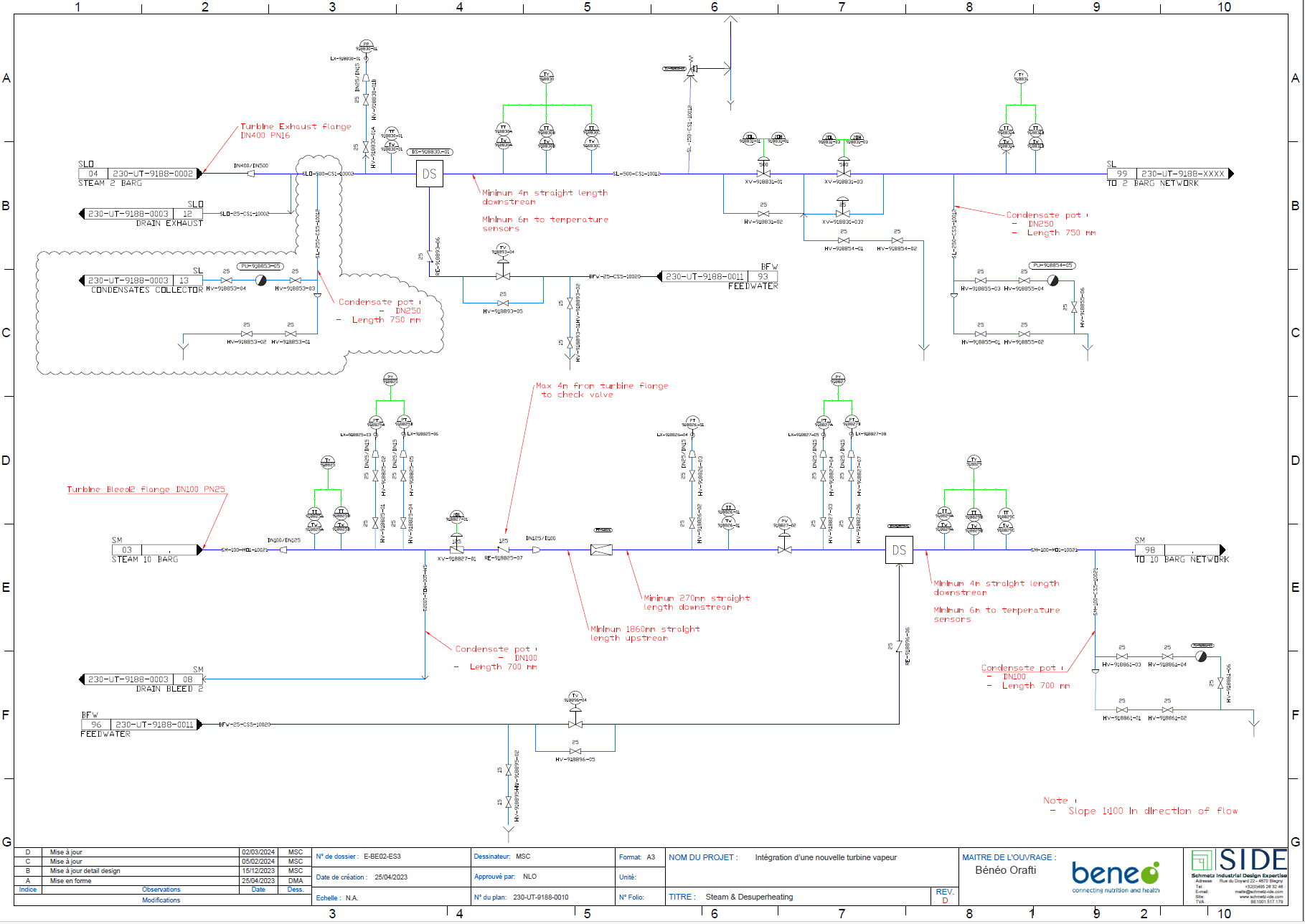
À partir de ce modèle, l'ensemble de la documentation technique nécessaire au projet a pu être générée sur base du modèle 3D (P&ID, Plans d’implantation, isométriques de tuyauterie et liste de matériels).


Projet réalisé dans le cadre d'une mission pour BENEO, Oreye 

Année: 2023 - 2024

Logiciels : AutoCAD Plant 3D - Navisworks Manage – Recap

Intégration du modèle 3D dans l'existant (nuage de point)

Isométrique de tuyauterie généré à partir d'Autocad Plant 3D

P&ID